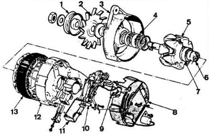
генератор форд транзит схема

форд транзит электросхема 2008. генератор ford transit 2. схема генератора форд транзит 2. схема подключения генератора форд транзит 2. 2 дизель.
форд транзит электросхема 2008. генератор ford transit 2. схема генератора форд транзит 2. схема подключения генератора форд транзит 2. 2 дизель.
схема электропроводки форд транзит 2001. схема генератора форд транзит 2. генератор форд транзит схема. схема генератора форд транзит 2012 года. генератор форд транзит схема.
схема электропроводки форд транзит 2001. схема генератора форд транзит 2. генератор форд транзит схема. схема генератора форд транзит 2012 года. генератор форд транзит схема.
генератор форд транзит схема. схема генератора форд транзит 2000 2006 год. электрическая схема ford transit 2000. схема подключения генератора форд транзит 2. генератор форд транзит схема.
генератор форд транзит схема. схема генератора форд транзит 2000 2006 год. электрическая схема ford transit 2000. схема подключения генератора форд транзит 2. генератор форд транзит схема.
генератор форд транзит схема. схема электропроводки форд транзит 2017 года. 5 дизель. схема подключения генератора форд транзит. 5 дизель.
генератор форд транзит схема. схема электропроводки форд транзит 2017 года. 5 дизель. схема подключения генератора форд транзит. 5 дизель.
5 дизель. схема генератора форд транзит. 5 дизель. 4 дизель схема. генератор форд транзит схема.
5 дизель. схема генератора форд транзит. 5 дизель. 4 дизель схема. генератор форд транзит схема.
электрическая схема форд транзит 2008г. генератор форд транзит 2. схема генератора форд транзит 2. генератор форд транзит схема. 4 дизель схема.
электрическая схема форд транзит 2008г. генератор форд транзит 2. схема генератора форд транзит 2. генератор форд транзит схема. 4 дизель схема.
схема электрооборудования форд транзит 2005 год. схема электропроводки mercedes gls450. форд транзит генератор лукас схема. болт крепления генератора форд транзит 1998. 5 дизель.
схема электрооборудования форд транзит 2005 год. схема электропроводки mercedes gls450. форд транзит генератор лукас схема. болт крепления генератора форд транзит 1998. 5 дизель.
генератор форд транзит 2. 5 дизель. кронштейн крепления генератора ford transit 1994. генератор форд торнео коннект 1. форд транзит схема зарядки аккумулятора.
генератор форд транзит 2. 5 дизель. кронштейн крепления генератора ford transit 1994. генератор форд торнео коннект 1. форд транзит схема зарядки аккумулятора.
форд транзит схема электрооборудования 2013. генератор форд транзит схема. схема генератора форд транзит 2. 5 дизель. генератор форд транзит схема.
форд транзит схема электрооборудования 2013. генератор форд транзит схема. схема генератора форд транзит 2. 5 дизель. генератор форд транзит схема.
2 схема подключения. схема генератора форд торнео коннект. 5 дизель. генератор форд транзит схема. генератор форд транзит 2.
2 схема подключения. схема генератора форд торнео коннект. 5 дизель. генератор форд транзит схема. генератор форд транзит 2.
генератор форд транзит 1991г схема. схема электропроводки ford transit 90 года. 8 дизель. форд транзит 2007г 2. генератор форд транзит схема.
генератор форд транзит 1991г схема. схема электропроводки ford transit 90 года. 8 дизель. форд транзит 2007г 2. генератор форд транзит схема.
болт крепления генератора форд транзит 2. 4 дизель схема. схема подключения генератора форд транзит. генератор форд транзит 2. схема электрооборудования форд транзит 1994-2000.
болт крепления генератора форд транзит 2. 4 дизель схема. схема подключения генератора форд транзит. генератор форд транзит 2. схема электрооборудования форд транзит 1994-2000.
крепление генератора на форд транзит 2012 года. генератор форд транзит схема. реле зарядки второго акб форд транзит. схема генератора форд транзит 2006 дизель. 2.
крепление генератора на форд транзит 2012 года. генератор форд транзит схема. реле зарядки второго акб форд транзит. схема генератора форд транзит 2006 дизель. 2.
схема зарядки форд транзит 2001 года. 5 дизель. генератор форд транзит 2. 2 дизель. 4 дизель.
схема зарядки форд транзит 2001 года. 5 дизель. генератор форд транзит 2. 2 дизель. 4 дизель.
электросхема мерседес gl 320d. 5 дизель. 2 дизель. 2 дизель. снятие генератора форд транзит.
электросхема мерседес gl 320d. 5 дизель. 2 дизель. 2 дизель. снятие генератора форд транзит.
схема генератора форд транзит 2. транзит 1994 схема электрооборудования. форт транзит 2000 год кранштен генератор. схема электропроводки dodge ram 1500. додж караван электрическая схема щиток приборов.
схема генератора форд транзит 2. транзит 1994 схема электрооборудования. форт транзит 2000 год кранштен генератор. схема электропроводки dodge ram 1500. додж караван электрическая схема щиток приборов.
генератор форд транзит 2. генератор форд транзит 2. 4 дизель схема. схема подключения генератора форд транзит 2. схема генератора форд транзит 2.
генератор форд транзит 2. генератор форд транзит 2. 4 дизель схема. схема подключения генератора форд транзит 2. схема генератора форд транзит 2.
генератор форд транзит схема. генератор транзит форд транзит 1991. генератор форд транзит 2. 2 схема подключения. генератор форд транзит 2.
генератор форд транзит схема. генератор транзит форд транзит 1991. генератор форд транзит 2. 2 схема подключения. генератор форд транзит 2.
4 дизель схема. электрическая схема топливной системы форд транзит. схема подключения генератора форд транзит 2. генератор форд транзит схема. генератор ford transit схема.
4 дизель схема. электрическая схема топливной системы форд транзит. схема подключения генератора форд транзит 2. генератор форд транзит схема. генератор ford transit схема.
2 дизель электросхема. схема подключения генератора форд транзит 2. генератор форд транзит схема. 4 дизель схема подключения. генератор форд транзит схема.
2 дизель электросхема. схема подключения генератора форд транзит 2. генератор форд транзит схема. 4 дизель схема подключения. генератор форд транзит схема.